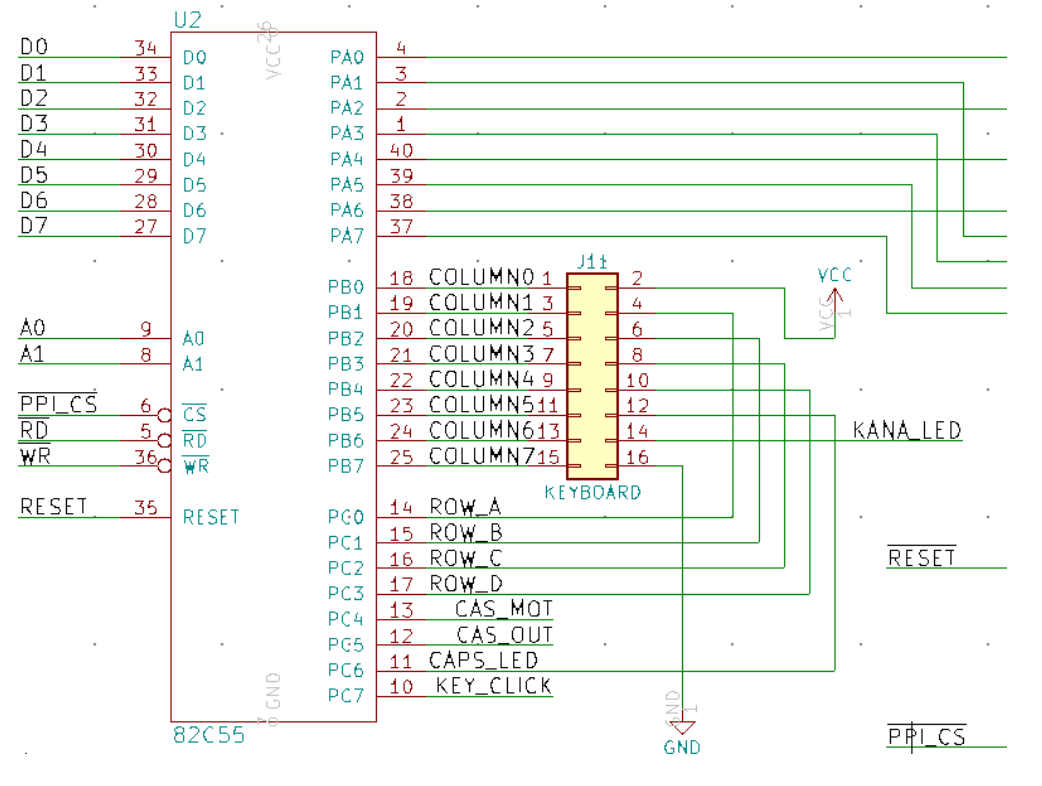
대우 MSX 키보드 매트릭스 : https://blog.naver.com/jsfx3/222011871680
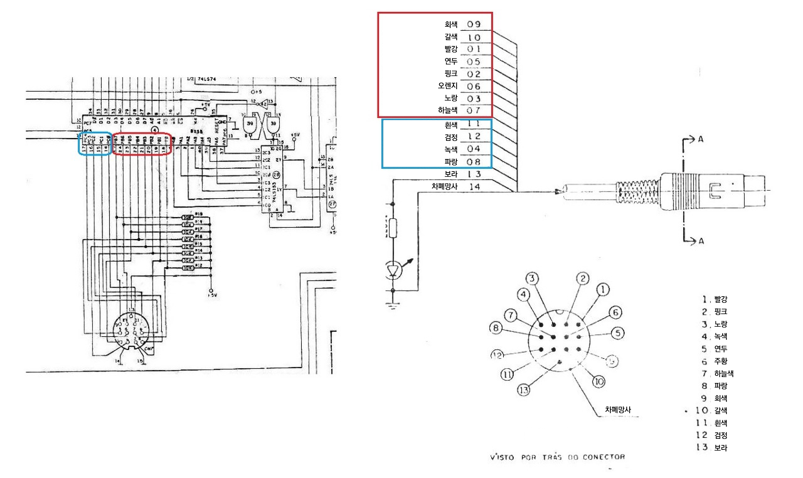
대우 MSX 키보드 연결 : http://www.caro.su/msx/kbd4msx.htm
복각MSX님 USB 키보드 인터페이스 : https://cafe.naver.com/msx/27107
Brightsite님 PS/2 키보드 인터페이스 : https://cafe.naver.com/msx/26358
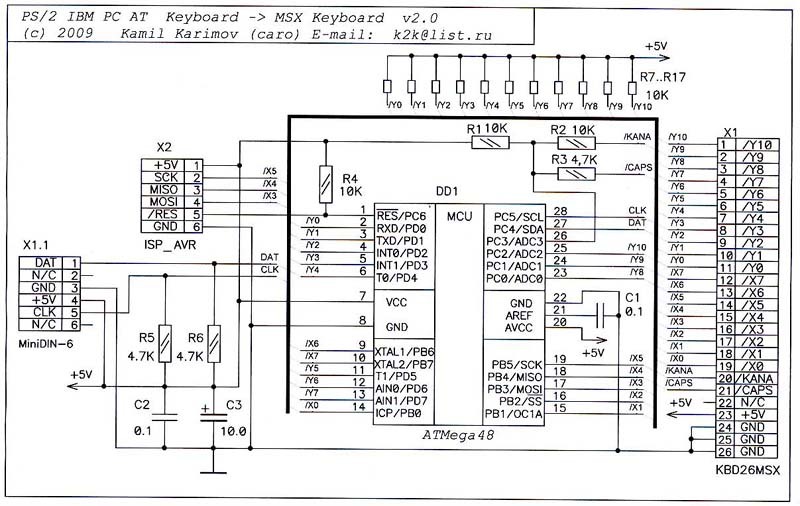
아두이노-MSX PS/2 연결 사례 : https://msx.gouget.com.br/2014/06/24/ps2-keyboard-to-msx-with-arduino/
키 매트릭스에 관해 : http://map.grauw.nl/articles/keymatrix.php
고명호님 인터페이스 : https://cafe.naver.com/msx/20819
고명호님 인터페이스 장착법 : https://cafe.naver.com/msx/21144
라즈베리파이 pico를 이용한 장착법 : https://github.com/hra1129/msx_tools/tree/main/usb_keyboard_bridge_for_msx
ESP32 블루투스 키보드 연결사례(듀크뉴켐3D ESP32포팅) : https://github.com/bozont/Duke3D/blob/master/components/SDL/bluetoothkeyboard/bluetoothkeyboard.h




'Retro > MSX' 카테고리의 다른 글
| MSX wifi 모뎀 만들기 (0) | 2025.02.18 |
|---|---|
| 소니기종 도터보드 사운드 문제(HIC-1) (0) | 2024.05.11 |
| OLED 출력 관련 (0) | 2023.08.08 |
| msx-rom-and-floppy-emulator (1) | 2023.07.26 |
| 사용 기종 정보 (0) | 2023.04.10 |